New: 3-phase smart current sensor
ESS 076
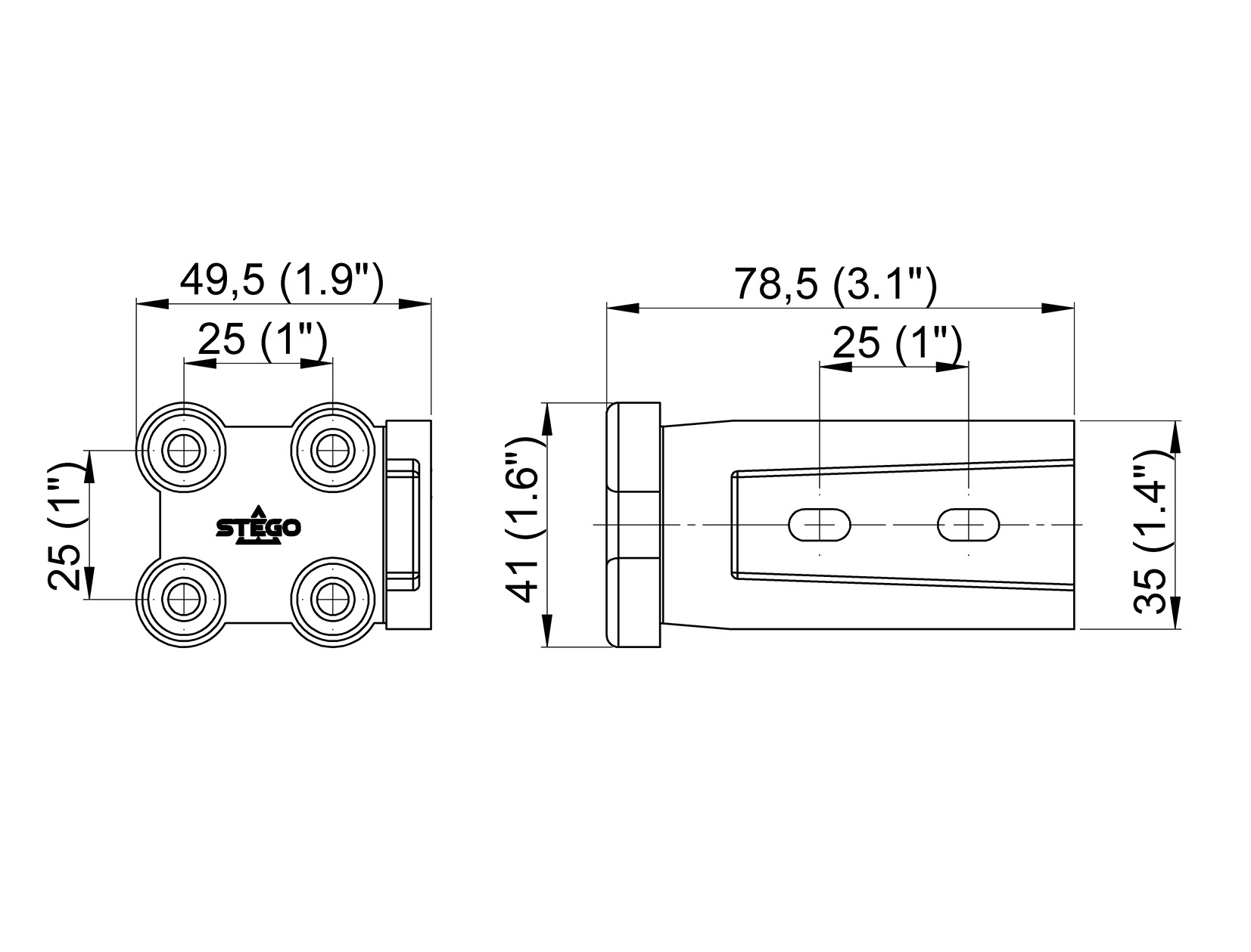
The ESS 076 (3-phase) smart current sensor measures three-phase alternating current without contact. The three current conductors are fed through the openings of the through-type transformers. The measured current is processed digitally. It is output either via the analog output or via the IO-Link interface. Power and energy are calculated internally. These values are also output via the IO-Link interface.
- Measures three-phase AC currents without contact
- Cable diameter up to 11.4 mm
- Clip and screw fixing
- Analog 4-20 mA interface
- Digital IO-Link interface







