Smart Sensor Strom 3-phasig
ESS 076
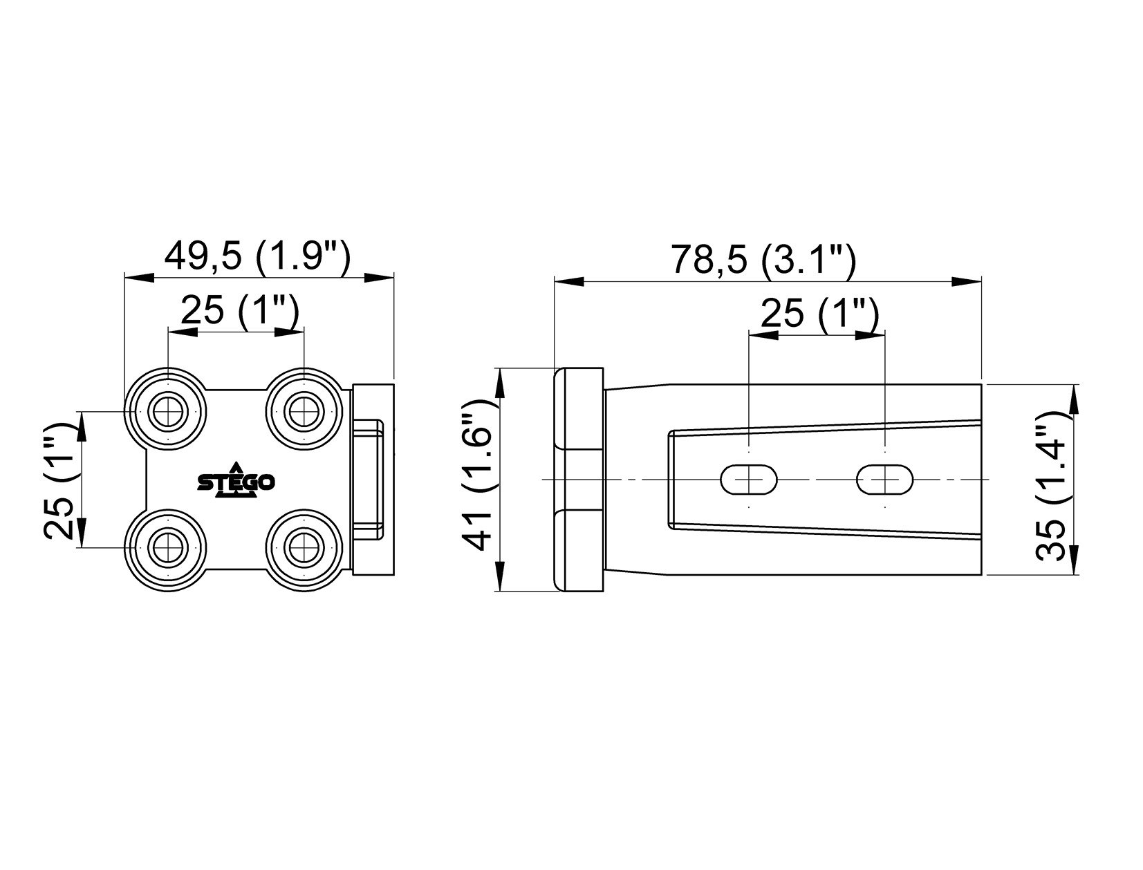
Der Smart Sensor Strom ESS 076 3-phasig misst Dreiphasen-Wechselstrom kontaktlos, indem die drei zu messenden Stromleiter durch die Öffnungen der Durchsteckwandler geführt werden. Der gemessene Strom wird digital aufgearbeitet und entweder über die analoge oder die IO-Link-Schnittstelle ausgegeben. Die Leistung und die Energie werden intern berechnet und über IO-Link-Schnittstelle ausgegeben.
- Misst dreiphasige AC-Ströme kontaktlos
- Leitungsdurchmesser bis 11,4 mm
- Einfache Clipmontage
- Analoge 4-20 mA Schnittstelle
- Digitale IO-Link Schnittstelle



