New: Electronic hygrotherm - Available for pre-order
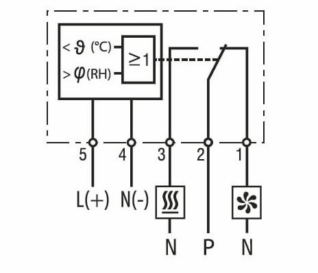
ETF 012
The electronic hygrotherm simultaneously monitors temperature and air humidity in enclosures and cabinets. Condensation is avoided by switching the heating and fans as required.
- Adjustable temperature and air humidity
- Wide-range voltage
- Standard DIN width (35mm)
- Push-in terminal
- High switching capacity
- Operating temperature down to -40 °C
- Optical status display





