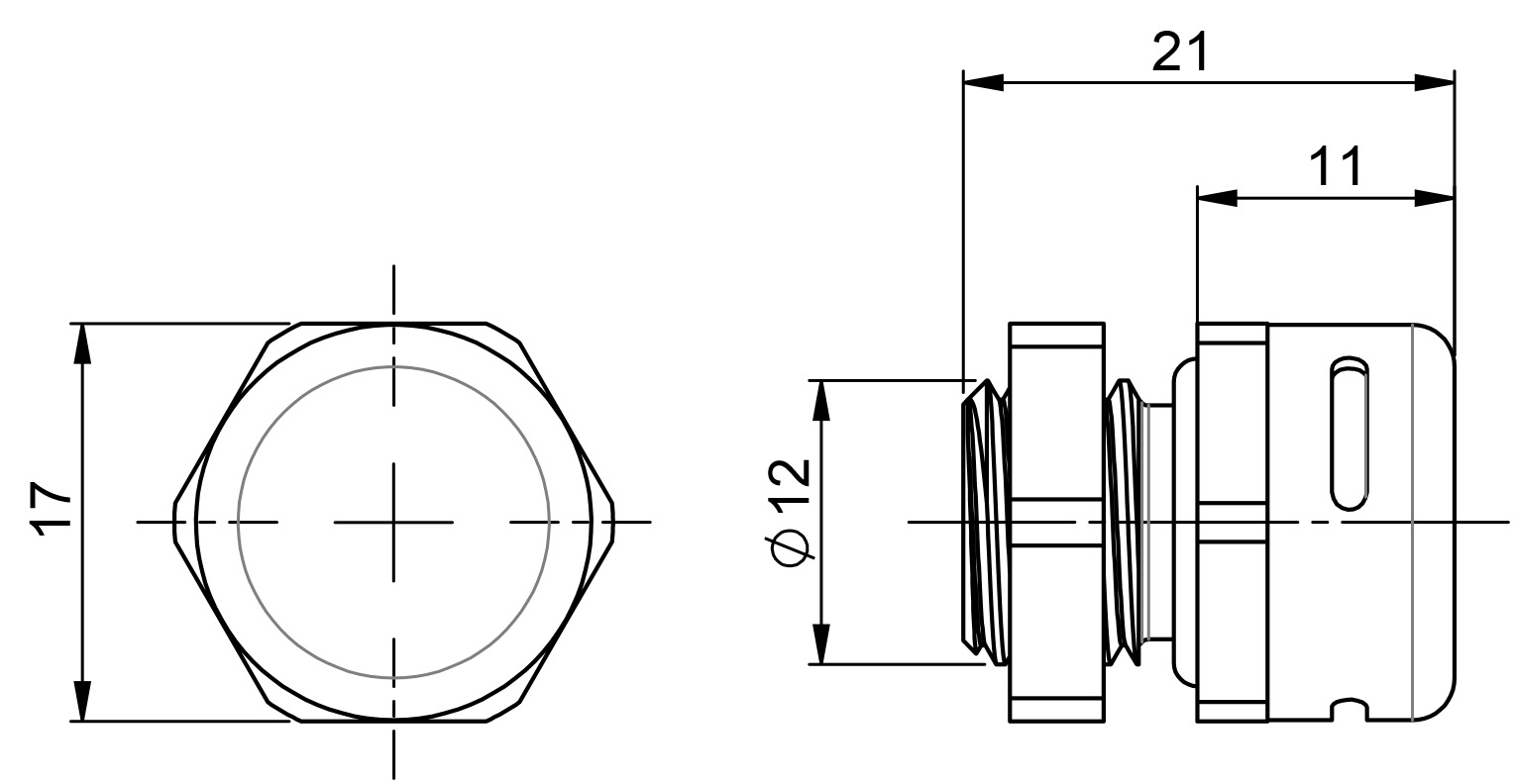
Pressure compensation device
DA 284
Passive pressure compensation element for casings and enclosures. Levels temperature-induced pressure differences between the inside and outside of the enclosure. Air humidity escapes through a waterproof membrane. The formation of condensate is prevented.
- Thread sizes: M12 and M40
- NBR membrane
- Water and dirt-tight, IP66










